一、研究的背景与问题
600MW示范快堆是我国自主设计建造的第四代核电机组,在核燃料利用率、生产效率等方面均有其他堆型无法比拟的优势。为进一步保证600MW示范快堆的安全,对本项目的三个钢种:316H奥氏体不锈钢、2.25Cr1Mo耐热合金钢及SA-516Gr.70低合金高强度钢,在产品化学成分、金相组织、综合性能等方面均提出了极为苛刻的要求。主要技术瓶颈包括:
1、316H奥氏体不锈钢主要用于制造主容器、高温旋塞等关键装备。要求:铁素体含量<1%、晶粒度4-6级、晶间腐蚀满足GB/T4334 E法(敏化处理后)要求。而国内外现有316H奥氏体不锈钢均无法满足上述要求。
2、2.25Cr1Mo耐热合金钢主要用于制造蒸汽发生器等关键装备。要求:钢板正火+回火(NT)、模拟焊后热处理后(SPWHT)的高温500℃、530℃和550℃的Rm不小于400MPa、380MPa、358MPa,而国内外产品只能满足上述指标Rm的90%要求。
3、SA-516Gr.70低合金高强度钢主要用于制造堆顶固定屏蔽等装备。要求:钢板正火(N)、模拟焊后热处理处理后(SPWHT)的高温200℃、300℃和400℃的Rm不小于483MPa、483MPa、476MPa。也是目前国内外SA-516Gr.70钢板无法满足的要求。
二、解决问题的思路与技术方案
1、总体思路
(1)316H奥氏体不锈钢
一是铁素体含量控制技术。通过对316H相图进行分析,利用不同温度条件下相的形成与转变,重点控制电渣重熔钢水冷却速度及锻造钢坯过程温度,最终实现316H成品钢板铁素体含量<1%,并稳定控制在0.5%以内;二是晶粒度控制技术。采用不同温度区间控制轧制+固溶处理方式来控制钢板的晶粒尺寸,有效控制钢板高温再结晶程度,促进完全再结晶发生,保证钢中合金元素充分固溶情况下,不会发生晶粒长大,实现全厚度晶粒度控制在4~6级;三是晶间腐蚀控制技术。全面优化钢坯加热及轧制工艺,获得相对细小均匀的晶粒尺寸,同时调控C含量,有效提高钢板耐晶间腐蚀能力。
(2)2.25Cr1Mo耐热合金钢
一是J系数控制技术。采用三步法冶炼技术,有效提高钢质纯净度,抑制元素晶界偏析,实际控制J≤50,确保钢板具有极好的脆性转变温度;二是模拟焊后热处理后高温力学性能控制。通过调控钢中α-铁素体(≤1%)、合金渗碳体、第二相粒子形态及大小,有效抑制模拟焊后热处理后强度降低;三是高温长时性能控制技术。采用连铸+电渣重熔生产,提高钢质纯净度,减少带状组织。改善钢板短时常温与高温性能同时提高长时性能。
(3)SA-516Gr.70低合金高强度钢
通过控制钢中合金渗碳体及第二相粒子的形态及分布,进而抑制模拟焊后热处理后强度的下降。同时通过细晶强化、固溶强化、位错强化等手段对钢板室温及高温性能进行补强。
2、技术方案
(1)核电用316H奥氏体不锈钢
①创新开发了奥氏体不锈钢铁素体含量控制技术(2项专利)。
针对不同钢板厚度要求,确定合理的中间坯厚度对控制钢中铁素体以及钢板实际生产至关重要。

图1 不同中间坯及成品钢板铁素体含量变化
图1是中间坯和成品钢板组织形貌。其中,150mm厚中间坯在内部中心疏松和晶界处依然存在大量块状和条状铁素体(图1-1a),最终遗传至成品钢板,无法满足<1%要求(图1-1c);120mm厚中间坯的中心区域变形充分,中心疏松基本完全愈合,铁素体尺寸较小(图1-1b),通过后续加热、轧制使得铁素体充分溶解,实现成品钢板铁素体含量<1%要求(图1-1d)。
②是率先开发了多阶段控轧和分阶段均衡热处理技术(2项专利)
*多阶段控制轧制工艺技术。对于奥氏体不锈钢混晶问题,采用控制轧制,促进心部发生连续动态再结晶,表面通过轧制+固溶处理实行动态+静态再结晶相结合,实现晶粒度的有效控制(见图2)。

图2 两阶段轧制工艺下钢板晶粒尺寸均匀性
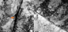
通过对材料再结晶行为研究,非连续动态再结晶的晶粒内部存在一定数量亚结构(即亚晶),具有较高的晶界能。而连续动态再结晶的晶粒内部亚结构极少,具有较低的晶界能。敏化过程中,碳化物容易在高能晶界处形核并析出较多碳化物,从而降低材料的抗晶间腐蚀性能(见图3)。

图3 两种轧制工艺的EBSD组织
由图3可以看出,两种工艺再结晶程度和亚结构比例差别明显。采用高温大压下直接轧制工艺具有较高的亚结构比例,腐蚀后出现明显的晶粒脱落行为(红色虚线框);而两阶段轧制工艺使得亚结构比例显著下降,减弱了腐蚀扩展。
*多阶段均衡热处理工艺
通过多阶段均衡热处理工艺实现轧态遗传的能量分配差异,消除反复加热产生的热应力,减弱晶粒异常长大倾向,实现材料晶粒尺寸的有效控制。

图4 多阶段能量均衡固溶处理组织
图4是多阶段能量均衡固溶处理后钢板金相组织。分阶段热处理能明显抑制钢板不同厚度部分的混晶现象,使晶粒度达4-5级。
多阶段能量均衡热处理能消除材料固溶时晶界析出的(CrFe)23C6碳化物,为敏化处理提供优质原始组织。316H导热性差,传统固溶处理会在敏化温度区间通过,晶界析出碳化物(见图5),影响晶间腐蚀性能。采用多阶段热处理,工艺为600℃+1000℃+1050℃,使得碳化物重新溶解(见图5),从而有效提高敏化处理后的抗晶间腐蚀性能(见图6)。

图5 传统固溶工艺和多阶段固溶下晶界碳化物析出图片

图6 钢板晶间腐蚀试样弯曲图片
(2)核电用2.25Cr1Mo耐热合金钢
①是创新建立纯净钢三步法生产技术(1项专利)。
采用双联法转炉冶炼、LF+RH精炼和电渣重熔工艺,钢质纯净度得到有效改善,同时减轻各元素成分偏析,实现均匀化。生产的2.25Cr1Mo钢板脆化敏感性系数J≤50(成分要求见表2-1),消除带状组织(见图1)。
表1 化学成分(wt%)

通过采用电渣重熔,有效控制J系数≤50,可进一步降低钢中P、S及H、O、N等元素含量,控制残余元素,实现高纯净钢生产。为成品钢板保持良好的综合性能及组织(表2、3,图1、2)提供了条件。
表22.25Cr1Mo耐热合金钢板常温拉伸检验结果

表3 2.25Cr1Mo耐热合金钢板高温拉伸检验结果


图1 供货态钢板金相组织(带状组织彻底消除)

图2 钢板长时性能
从图2-2可见,在100倍和500倍光学显微镜下均没有发现带状组织,金相组织以B为主,仅有1%左右的极少量α分散分布存在。
②是研究开发了正火后不同冷却速度金相组织对性能的影响规律(1项专利)。
采用正火后不同冷却速率研究金相组织变化(见图3)。正火空冷(AC)获B组织;冷速30℃/min时,原A晶界有少量先共析或α-铁素体;冷速5℃/min时,粒状B比例增加,α含量提高;冷速1℃/min时,组织为α+ P +少量粒状B,α晶粒长大呈明显等轴状。

图3 正火后不同冷却速度下的金相组织

图4 正火后不同冷却速度下的常温及高温性能
对比室温和高温强度(见图2-4),随着正火冷却速度的减慢,强度均有所下降。屈服强度变化规律与抗拉强度相似,并且下降幅度要大于抗拉强度。而塑性在不同冷速下均保持在较高水平,相差不大。
③是通过对夹杂物及B、α-铁素体含量控制,揭示了钢中组织及夹杂物对以贝氏体组织为主的材料性能控制规律(1项专利)。
采用三步法进行生产:双联法转炉冶炼,LF、RH炉外精炼,连铸坯+电渣重熔,能够很好地改善钢质纯净度。供货态钢板中非金属夹杂物数量极少且等级较低,仅有少量的B类和D类夹杂物,且级别不超过1.0级,满足技术指标规定A、B、C、D粗、细系不大于1.0级、DS<27μm,A、B、C、D 四类粗系之和不大于1.5级且A、B、C、D 四类细系之和不大于2.0级的要求(见图5)。

图5 供货态和模焊态钢板非金属夹杂物
正火后不同冷却速度试样高温拉伸断口上取样进行纵向剖面扫描电镜SEM观察(见图2-8)。

图6 正火后不同冷速530℃拉伸断口纵剖面SEM
正火不同冷速下组织及性能变化如下:空冷获B+极少量α组织,强度较高;5℃/min冷却得α(30%- 40%)+P+B组织,强度略有下降;1℃/min冷却时α含量约80%,过饱和碳化物在晶界等析出聚集长大,产生应力集中,弱化晶界,降低材料强度。
另外还要进一步控制钢中第二相碳化物析出,通过回火处理来确保钢中第二相碳化物(M23C6)在α板条间弥散分布(见图7),进而起到弥散强化作用,同时还能够抑制长时间模拟焊后热处理(690℃、16h)后碳化物的聚集和长大,从而延缓室温及高温强度的下降。

图7 弥散分布的第二相碳化物M23C6 EM
(3)核电用SA-516Gr.70低合金高强度钢
创新优化了深度控轧+正火工艺对不同规格SA-516Gr.70钢板模拟焊后热处理后常温及高温性能的控制技术(1项专利)。
通过深度控轧进一步细化晶粒,对不同规格钢板精准控制热处理工艺,调控合金渗碳体及第二相粒子析出形态和大小(见图8),有效解决了SA-516Gr.70钢板化学成分简单,但综合性能要求高的难题(见表4)。

图8 钢板晶粒尺寸及第二相粒子分布
表4 钢板常温及高温力学性能

三、主要创新性成果
1、创新开发出奥氏体不锈钢铁素体组织控制、多阶段轧制和分阶段均衡热处理技术,实现了316H奥氏体不锈钢成品钢板铁素体含量小于0.5%;钢板晶粒度控轧制4-6级;开发的晶粒尺寸、铁素体含量、碳化物析出复合调控技术,满足敏化处理后GB/T 4334中E法晶间腐蚀的要求。
2、开发出316H奥氏体不锈钢板生产新工艺,产品性能稳定,屈服强度波动范围小于20MPa、冲击韧性波动范围小于30J。
3、开发出转炉双联冶炼、电渣重熔生产高纯净2.25Cr1Mo耐热合金钢技术,优化了钢中夹杂物及贝氏体、α-铁素体,脆化敏感性系数J=42,有利于带状组织控制;通过正火加速冷却得到贝氏体+极少量铁素体组织,有效控制了模拟焊后热处理后的高温及室温性能。
4、创新优化了控轧+正火工艺,通过细晶和析出强化复合技术,有效控制了SA-516Gr.70
本项目创新开发出满足600MW示范快堆建造要求的316H、2.25Cr1Mo和SA-516Gr.70三个典型钢种,综合性能完全满足相关技术条件要求同时,还建立了关键核心产品生产制造一体化配套技术。“600MW示范快堆核电材料一体化研制及工程应用”成功通过中国钢铁工业协会组织的成果鉴定,达到国际领先水平。钢板模拟焊后热处理性能。
四、应用情况与效果
本项目成功研制开发出316H奥氏体不锈钢、2.25Cr1Mo耐热合金钢及SA-516Gr.70低合金高强度钢,并实现批量生产应用。三个核电用钢的成功研发,有效提升了鞍钢在高端奥氏体不锈钢、耐热合金钢和低合金高强度钢领域的技术研发实力,形成了该领域多项共性难题的整体解决方案,建立了一整套生产工艺流程。产品实现了从薄到厚、由窄至宽的全规格覆盖,并实现了向低温风洞、压力容器等其他重点领域的拓展,增强了企业在中厚板行业的持续创新能力和发展动力,提升了我国中厚板领域核电产品供应链的安全性和稳定性,以及我国核电用钢的国际竞争力。
本项目创新开发出的600MW示范快堆关键核心产品及其一体化制造技术,解决了关键材料的技术难题。产品成功应用我国首座600MW示范快堆1#和2#机组关键装备,不仅解决了国家重点工程基础材料“等米下锅”的难题,同时还标志着我国核电领域关键材料自主可控,为我国核电材料的自主化开发贡献了央企力量,为企业带来了较大的经济效益。
社会效益方面,本项目创新研发的316H、2.25Cr1Mo、SA-516Gr.70三个产品有力地支持了600MW示范快堆1#、2#机组建造,助力快堆核电机组(每台)减少标准煤消耗360万吨、CO2排放900万吨,提高乏燃料利用率60%以上。带动上下游产业链共同发展,为我国如期实现“碳达峰”“碳中和”的绿色化发展目标做出了巨大贡献。同时通过解决关键材料技术难题,实现国家重大工程关键材料自主化,同时全面提升了我国钢铁行业整体自主创新能力,社会效益巨大!
信息来源:鞍钢股份有限公司
[06-25]
[07-03]
[06-20]
[06-19]
[10-29]
[12-02]
[12-02]
[12-01]
[12-01]
[11-26]